Butt weld Cross Fittings

Trident Enterprises is one of eminent manufacturers and suppliers of high grade Butt weld Cross Fittings. Trident Enterprises overseas offers a commendable range of Butt weld Cross Fittings, for the prestigious client with competitive price. Export packaging is grade towards the protection, handling and transport of Butt weld Cross Fittings by air or sea freight, as such shares many characteristics with export and transport Butt weld Cross Fittings packing. Backed by a diligent teen of professional, we are engaged in offering an excellent quality range of Butt weld Cross Fittings.
Trident Enterprises is an Butt weld Cross Fittings stockholders and suppliers, delivering to whole of the world. We are an ISO 9001:2008,ISO 9001-2008, ISO 14001-2004, OHSAS 18001-2007, NSIC-CRISIL, EEPC, and QA-UKAS (ISO 9001-2008), SSI Certified company that follows total Quality Management System. and have been recognized as one of the world’s leading stockists and manufacturer of quality metals for over two decades and are committed to quick responses, unsurpassed quality, competitive pricing, reliable deliveries and an exhaustive inventory. Butt weld Cross Fittings to internationally approved quality standards for application. Butt weld Cross Fittings have excellent quality to fully satisfy customer's requirement. We can offer high quality electro polish fittings. Butt weld Cross Fittings are manufactured in accordance with national and international product standards, While we can also produce fittings as per special specification of our customers. In case of custom size fabricate Butt weld Cross Fittings; the welding is done carried out by qualified personnel.
Butt weld Cross Fittings Specification
| Type | Cross Fitting |
| Standard | ANSI B 16.9, ANSI B16.28, MSS SP43, MSS P75, JIS2311, JIS 2312, JIS2313, DIN2605 , GB-12459, GB-T13401 etc. |
| Material | Stainless Steel, Duplex, Super Duplex, Carbon Steel, Alloy Steel, Monel, Inconel, Hastelloy, Tatanium & Special Metals |
| Size | 1/8” to 48” |
| Variation | Equal Cross & Reducing Cross |
| Thickness | SCH5S/10S, SCH20/40/80/160, STD/XS/XXS, SGP |
| Order | Accept custom order |
| Quality Assurance | All fittings and flanges are subject to strict inspection at each stage of the production process, from starting material purchasing to product dispatch. They are visually examined for conformity to ASTM, ASME, MSS, DIN, EN, and JIS codes and standards. Upon request, official certified Inspection Agencies can be called in to witness the material reports, dimensions and quality conformity of products. |
| Marking & Packing | Products are packaged to ensure that there is no damage during transit. In case of exports, standard export packaging is done in wooden cases. All buttweld fittings are marked with Grade, Lot No, Size, Degree and our trade mark. On special requests we can also, make custom marking on our products.#Protected by End Caps. |
| Value Added Services |
|
| Test Certificates | Manufacturer Test Certificate as per EN 10204 / 3.1B, Raw Materials Certificate, 100% Radiography Test Report, Third Party Inspection Report |
Carbon Steel: ASTM A234 WPB / A420 WPL3/ A420 WPL6/ MSS-SP-75 WPHY 42/ 46/ 52/ 56/ 60/ 65/ 70 |
Alloy Steel: ASTM A234 WP1/ WP5/ WP9/ WP11/ WP22/ WP91 |
Stainless Steel: ASTM A403 WP 304/ 304L/ 304H/ 316/ 316L/ 317/ 317L/ 321/ 310/ 347/ 904L/2205 Duplex Fittings |
Copper Nickel: CuNi10Fe1Mn, CuNi30Mn1Fe |
Other Materials: Monel, Nickel, Inconel, Hastelloy, Copper, Brass, Bronze, Titanium, Tantalum, Bismuth, Aluminium, Zinc, Lead, etc. |
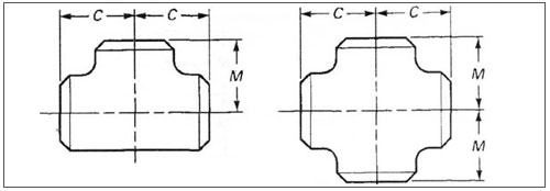
Butt weld Cross Fittings Dimension

| Nominal Pipe Size (NPS) | DN |
Outside Diameter at Bevel | Center- to-End |
|
Run.C |
Outlet. M[Notes(1) and (2)] | |||
| 1/2 | 15 | 21.3 | 25 | 25 |
| 3/4 | 20 | 26.7 | 29 | 29 |
| 1 | 25 | 33.4 | 38 | 38 |
| 1-1/4 | 32 | 42.2 | 48 | 48 |
| 1-1/2 | 40 | 48.3 | 57 | 57 |
| 2 | 50 | 60.3 | 64 | 64 |
| 2-1/2 | 65 | 73.0 | 76 | 76 |
| 3 | 80 | 88.9 | 86 | 86 |
| 3-1/2 | 90 | 101.6 | 95 | 95 |
| 4 | 100 | 114.3 | 105 | 105 |
| 5 | 125 | 141.3 | 124 | 124 |
| 6 | 150 | 168.3 | 143 | 143 |
| 8 | 200 | 219.1 | 178 | 178 |
| 10 | 250 | 273.0 | 216 | 216 |
| 12 | 300 | 323.8 | 254 | 254 |
| 14 | 350 | 355.6 | 279 | 279 |
| 16 | 400 | 406.4 | 305 | 305 |
| 18 | 450 | 457 | 343 | 343 |
| 20 | 500 | 508 | 381 | 381 |
| 22 | 550 | 559 | 419 | 419 |
| 24 | 600 | 610 | 432 | 432 |
| 26 | 650 | 660 | 495 | 495 |
| 28 | 700 | 711 | 521 | 521 |
| 30 | 750 | 762 | 559 | 559 |
| 32 | 800 | 813 | 597 | 597 |
| 34 | 850 | 864 | 635 | 635 |
| 36 | 900 | 914 | 673 | 673 |
| 38 | 950 | 965 | 711 | 711 |
| 40 | 1000 | 1016 | 749 | 749 |
| 42 | 1050 | 1067 | 762 | 711 |
| 44 | 1100 | 1118 | 813 | 762 |
| 46 | 1150 | 1168 | 851 | 800 |
| 48 | 1200 | 1219 | 889 | 838 |
GENERAL NOTES: All dimensions are in millimeters.
(a). Outlet dimension M for NPS 26(DN 650) and large is recommended but not required.
(b). Dimensions applicable to crosses NPS 24(DN 600) and smaller.
